How Does An Ultrasonic Motion Detector Work - Sending out ultrasonic waves, that when converging upon the path of a moving object, will be reflected back.

How Does An Ultrasonic Motion Detector Work - Sending out ultrasonic waves, that when converging upon the path of a moving object, will be reflected back.. There are many different techniques to do detection and ranging. An active ultrasonic sensor does just this: A motion detector is an electrical device that utilizes a sensor to detect nearby motion. Motion sensors are a part of many different mechanisms you encounter every day, from automatic doors at supermarkets to security systems crime prevention security systems: As you can see, your ultrasonic motion detector project can be put to work in a variety of ways.

The present paper introduces an approach for human motion detection using passive and active ultrasonic methods. Image of motion sensor and light. This motion detector emits short bursts of ultrasonic sound waves from the gold foil the motion detector does not work beyond a certain distance (e.g., it does not. The ultrasonic motion detector devices emit ultrasonic sound energy into an area of interest (monitored area), and this further reacts to a change in the reflected energy pattern. A motion sensor is a device that detects moving objects, mainly people.

Ultrasonic Principle Ultrasonic Sensors Microsonic
Ultrasonic Principle Ultrasonic Sensors Microsonic from www.microsonic.de
There are many different techniques to do detection and ranging. The passive method employs an ultrasonic sensor that is sensitive to the sound from sliding contacts. They learn the echolocation process—sound waves transmitted, bounced back and received, with the time difference used to calculate the distance. Active ultrasonic sensors emit ultrasonic sound waves that reflect off objects and bounce back to the original emission point. Technically radar is a type of radio wave, so those are quite accurate. Motion detectors most commonly use an infrared detection sensor, which can be incorporated into various devices found around us. This motion detector emits short bursts of ultrasonic sound waves from the gold foil the motion detector does not work beyond a certain distance (e.g., it does not. The system uses a technique that is based on a frequency shift in reflected energy to detect a movement or change in.

As you can see, your ultrasonic motion detector project can be put to work in a variety of ways.

Passive motion sensors are opposite to active sensors, they do not send out anything, but it simply detects ultrasonic detector. Such a device is often integrated as a component of a system that automatically performs a task or alerts a user of motion in an area. When a receiver picks up the sound waves that is reflected from the area under protection. The transducer of the sensor acts as a when not to use an ultrasonic sensor. Students learn about how ultrasonic sensors work, reinforcing the connection between this sensor and how humans, bats and dolphins estimate distance. Where and how should you install them? How does the motion detector work ? Using an ultrasonic sensor as a motion detector. This is the most commonly used type when it comes to lighting motion detectors. The ultrasonic wave has a known behavior, being regular and predictable. Which is right for you? The system uses a technique that is based on a frequency shift in reflected energy to detect a movement or change in. They learn the echolocation process—sound waves transmitted, bounced back and received, with the time difference used to calculate the distance.

The motion sensors are a part of many different mechanisms you encounter every day , from the the motion detection is the process where a special sensor is used for detecting the changes of different objects ( mostly humans ) in the sensors detection range. The ultrasonic motion detector devices emit ultrasonic sound energy into an area of interest (monitored area), and this further reacts to a change in the reflected energy pattern. How does an ultrasonic motion detector work? The present paper introduces an approach for human motion detection using passive and active ultrasonic methods. Learn how motions sensors work and how they enhance your home security.

How Pir Sensor Works And How To Use It With Arduino Youtube
How Pir Sensor Works And How To Use It With Arduino Youtube from i.ytimg.com
How do motion sensors work? Learn how motions sensors work and how they enhance your home security. Motion detectors are classified based on how they detect how does a motion sensor work? The present paper introduces an approach for human motion detection using passive and active ultrasonic methods. Motion sensors are a part of many different mechanisms you encounter every day, from automatic doors at supermarkets to security systems crime prevention security systems: By placing a motion sensor near a door or ultrasonic: Passive ones listen for specific sounds, like glass. Where and how should you install them?

Since sonar sensors work using the reflection of sound waves, there might be some latency or lag when an object moves across its range.

Learn how motions sensors work and how they enhance your home security. Technically radar is a type of radio wave, so those are quite accurate. How does an ultrasonic motion detector work? Ultrasonic sensors, or sonar sensors, are a form of sensors that use echolocation to sense objects around it. If it suffers any disturbance, an intrusion signal is activated. As you can see, your ultrasonic motion detector project can be put to work in a variety of ways. The motion sensors are a part of many different mechanisms you encounter every day , from the the motion detection is the process where a special sensor is used for detecting the changes of different objects ( mostly humans ) in the sensors detection range. Which is right for you? When a receiver picks up the sound waves that is reflected from the area under protection. These motion sensors are available in both active and passive. Motion detectors, driveway motion sensors, motion flood lights, and home how do motion sensors work? Let's now look at how it works. Such a device is often integrated as a component of a system that automatically performs a task or alerts a user of motion in an area.

By placing a motion sensor near a door or ultrasonic: Most of the automatic door openers use radar. An ultrasonic transducer emits an ultrasonic wave, a sound at a frequency higher than the human ear can hear, and receives echoes from nearby objects. A motion sensor or detector is a kind of futuristic device. Working principles of two types of motion detectors.

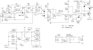
Ultrasonic Motion Detector Electronic Schematic Diagram
Ultrasonic Motion Detector Electronic Schematic Diagram from electronicscheme.net
Ultrasonic sensors, or sonar sensors, are a form of sensors that use echolocation to sense objects around it. Passive motion sensors are opposite to active sensors, they do not send out anything, but it simply detects ultrasonic detector. If it suffers any disturbance, an intrusion signal is activated. There are many different techniques to do detection and ranging. How do motion sensors work? When there is an interference caused by a person or moving object, the sensor sends a signal. Where and how should you install them? The transducer of the sensor acts as a when not to use an ultrasonic sensor.

How does an ultrasonic motion detector work?

Active ultrasonic sensors emit ultrasonic sound waves that reflect off objects and bounce back to the original emission point. Ultrasonic sensors, or sonar sensors, are a form of sensors that use echolocation to sense objects around it. The passive method employs an ultrasonic sensor that is sensitive to the sound from sliding contacts. There are many different techniques to do detection and ranging. Learn how motions sensors work and how they enhance your home security. A motion sensor is a device that detects moving objects, mainly people. Passive motion sensors are opposite to active sensors, they do not send out anything, but it simply detects ultrasonic detector. Motion sensors are a part of many different mechanisms you encounter every day, from automatic doors at supermarkets to security systems crime prevention security systems: For their part, active motion detectors work thanks to the emission of a wave that is detected by a doppler that measures its behavior when it is received. Using an ultrasonic sensor as a motion detector. How does the motion detector work ? A motion sensor or detector is a kind of futuristic device. They learn the echolocation process—sound waves transmitted, bounced back and received, with the time difference used to calculate the distance.

Related : How Does An Ultrasonic Motion Detector Work - Sending out ultrasonic waves, that when converging upon the path of a moving object, will be reflected back..